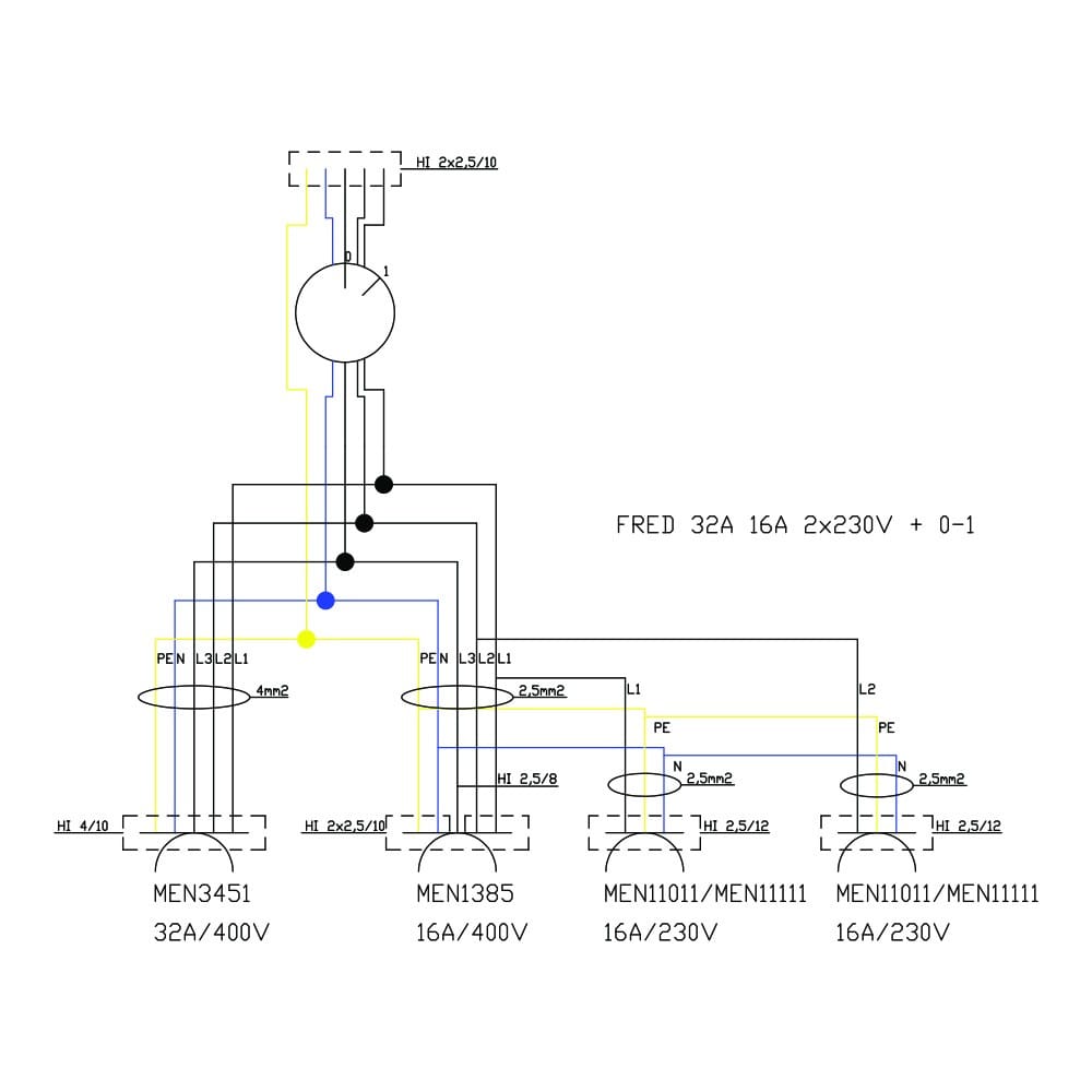
Stromverteiler FRED 32A 16A 2x230V franz/belg System mit Nockenschalter 0-1 Mennekes Doktorvolt® DV-9634-F
Technische Spezifikationen
| Gewicht | 2 kg |
|---|---|
| Zabezpieczenie | |
| Natężenie prądu CEE | |
| CEE Liczba biegunów (modułów) | |
| Napięcie CEE | |
| Typ gniazd | |
| Dodatkowe wyposażenie | |
| Materiał obudowy |



