Rozdzielnica budowlana GR-S/FI 16x230V gniazda Schuko Mennekes Doktorvolt® 9078

|DV-9078-D|

Specyfikacja techniczna

Waga 10 kg
Zabezpieczenie

Typ gniazd

Materiał obudowy

Zabezpieczona rozdzielnica budowlana GR-S/FI SKH 16x230V gniazda Mennekes Doktorvolt®

Niemiecki system gniazd Schuko

⭐⭐⭐⭐⭐

➡️ Rozdzielnica elektryczna GR-S/FI SKH 16x230V Doktorvolt®, zalety:

✔️ Kompaktowa i zwarta obudowa wykonana z najlepszej jakości materiałów,

✔️ wyposażona w szesnaście gniazda 16x 230 V 16 A producenta Mennekes,

✔️ okablowanie i gniazda pochodzące od renomowanych producentów osprzętu elektrycznego,

✔️ klasa szczelności erbetki IP 44,

✔️ gotowa do podłączenia,

✔️ zabezpieczenie nadprądowe gniazd,

✔️ ochrona przed dotykiem pośrednim.

➡️ Rozdzielnica elektryczna GR-S/FI SKH 16x230V Doktorvolt®, zastosowanie:

✔️ Na placach i obszarach budów oraz podczas prac drogowych,

✔️ do zakładów przemysłowych,

✔️ w warsztatach i garażach, w których konieczne jest podłączenie urządzeń do gniazda siłowego,

✔️ podczas samodzielnej budowy domu,

✔️ do zasilania w energię elektryczną terenów zielonych i imprez masowych na świeżym powietrzu.

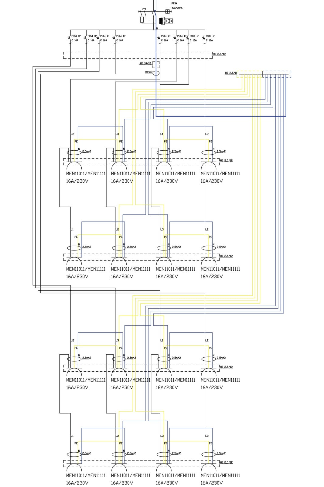
➡️ Prezentowana rozdzielnica budowlana wyposażona została w:

✔️ szesnaście gniazd 16x 230V 16A o klasie szczelności IP 54,

✔️ zabezpieczenie nadprądowe gniazd 230V 8 x C16 1P 10kA,

✔️ wyłącznik różnicowoprądowy 40A 30mA 4P,

✔️ szyna łączeniowa 11-modułowa,

✔️ okablowanie.

➡️ Firma Doktorvolt® w procesie produkcji rozdzielnic wdrożyła system zarządzania certyfikowany przez TÜV SÜD:

✔️ gwarancja wysokiej jakości,

✔️ transparentny przepływ informacji,

✔️ gwarancja w zakresie bezpieczeństwa,

✔️ zapewniona dobra obsługa klienta.

Obudowa rozdzielnicy
ilość modułów 19
ilość rzędów 1
montaż natynkowy
stopień ochrony rozdzielnicy IP54
wymiary obudowy z gniazdami 400 x 515 x 135 mm
materiał obudowy technopolimer
materiał drzwi poliwęglan
kolor przedniej płyty obudowy szary
kolor tylnej płyty obudowy czarny
materiał śrub stal nierdzewna
materiał uszczelki guma EPDM
dławnica PG dołączona w zestawie 1x PG-29
certyfikaty i normy CE
Gniazda i aparatura modułowa
zabezpieczenia gniazd 230 V

wyłącznik nadprądowy

8x C16A 10kA 1P

gniazda 230V 16 x 230V 16A 11111 IP54 2P+E
Mennekes
Niemiecki system Schuko
ochrona przed dotykiem pośrednim

wyłącznik różnicowoprądowy
40A 30mA 4P

szyna łączeniowa
3-fazowa 11 modułowa 12mm2

Okablowanie
rodzaj okablowania

Linka ster. H07V-K
2,5mm2, żółtoziel.

Linka ster. H07V-K
2,5mm2 czarna

Linka ster. H07V-K
2,5mm2, 6mm2
niebieska

Informacje ogólne
prąd znamionowy 40 A
napięcie znamionowe 230 / 400 V 50Hz AC
ICC ≤ 10 kA
RDF 0,6
Informacje producenta
producent Doktorvolt
certyfikaty i normy producenta TÜV SÜD
ISO 9001:2015
CE
IEC 61439
oznaczenie producenta DV-9078-D
EAN 5903260279078