Rozdzielnica wisząca mDV 2x230V Schuko praca z łączem pneumatycznym Doktorvolt® 2749
Specyfikacja techniczna
| Waga | 1 kg |
|---|---|
| Zabezpieczenie | |
| Typ gniazd | |
| Dodatkowe wyposażenie | |
| Materiał obudowy |
Rozdzielnica wisząca mDV 2x230V ze złączem pneumatycznym Doktorvolt®
Niemiecki system gniazd Schuko
⭐⭐⭐⭐⭐
➡️ Rozdzielnica elektryczna mDV 2x230V Doktorvolt®, zalety:
✔️ Kompaktowa i zwarta obudowa wykonana z najlepszej jakości materiałów,
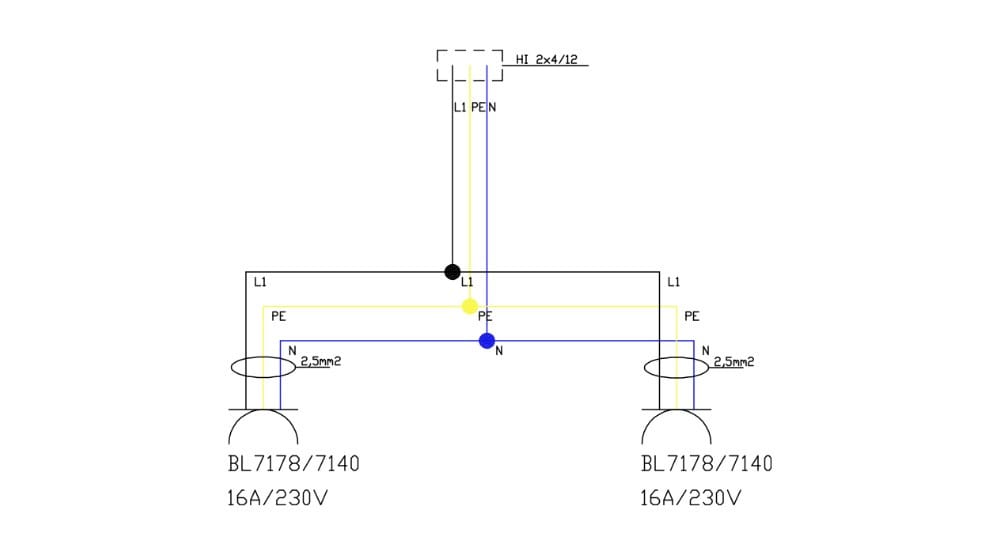
✔️ wyposażona w dwa gniazda 230 V 16 A,
✔️ okablowanie i gniazda pochodzące od renomowanych producentów osprzętu elektrycznego,
✔️ klasa szczelności erbetki IP 44,
✔️ gotowa do podłączenia,
✔️ posiada łańcuszek umożliwiający zawieszenie rozdzielnicy w dowolnym miejscu o długośći 1,5 m,
✔️ wyposażona w przewód pneumatyczny.
➡️ Rozdzielnica elektryczna mDV 2x230V Doktorvolt®, zastosowanie:
✔️ Na placach i obszarach budów oraz podczas prac drogowych,
✔️ do zakładów przemysłowych,
✔️ w warsztatach i garażach, w których konieczne jest podłączenie urządzeń do gniazda siłowego,
✔️ podczas samodzielnej budowy domu,
✔️ do zasilania w energię elektryczną terenów zielonych i imprez masowych na świeżym powietrzu.
➡️ Prezentowana rozdzielnica budowlana wyposażona została w:
✔️ dwa gniazda 2x 230V 16A o klasie szczelności IP 54,
✔️ łańcuszek o długości 1,5 m.
✔️ przewód pneumatyczny.
➡️ Firma Doktorvolt® w procesie produkcji rozdzielnic wdrożyła system zarządzania certyfikowany przez TÜV SÜD:
✔️ gwarancja wysokiej jakości,
✔️ transparentny przepływ informacji,
✔️ gwarancja w zakresie bezpieczeństwa,
✔️ zapewniona dobra obsługa klienta.

|
zastosowanie |
– Służy do rozdzielenia powietrza płynącego w instalacji pneumatycznej na dwa niezależne przewody. Wykonana w taki sposób aby nie przepuszczać powietrza i nie narażać węża na uszkodzenia. – Przystosowana do pracy z wężami pneumatycznymi o średnicy wewnętrznej 8mm. |
|
prąd znamionowy (InA) |
16 A |
|
napięcie znamionowe (Un) |
230 V |
|
modulacja częstotliwości (fn) |
50Hz |
| ilość gniazd |
2x230V Schuko 16A/3P 2P+PE IP54 system niemiecki niebieski RAL 5015 Typ F Typ 7178 Bals |
| ilość wtyków szybkozłączek |
1x Wtyk Szybkozłączki z Gwintem Zewnętrznym DN 5,5 gwint:G 1/8 |
| ilość rozdzielczy pneumatycznych |
1x Rozdzielacz pneumatyczny wraz z dwoma szybkozłączkami gwint zewnętrzny, mosiężny DN 7,2 gwint wejścia:G 3/8 i |
| klasa szczelności | IP44 |
| dławnica PG 13,5 IP 68 |
tak |
| uchwyt/zawieszka |
tak |
| długość łańcuszka |
1,5m |
| materiał rozdzielacza |
tworzywo sztuczne |
| kolor rozdzielacza krzyżowego |
szary |
| wymiary rozdzielacza krzyżowego |
112x112x80mm |
| producent | Doktorvolt |
| Numer artykułu | DV-2749-D |
| EAN | 5905669992749 |



