Rozdzielnica wisząca mDV 3x230V Schuko Doktorvolt® 2671
Specyfikacja techniczna
| Waga | 1,2 kg |
|---|---|
| Zabezpieczenie | |
| Typ gniazd | |
| Materiał obudowy |
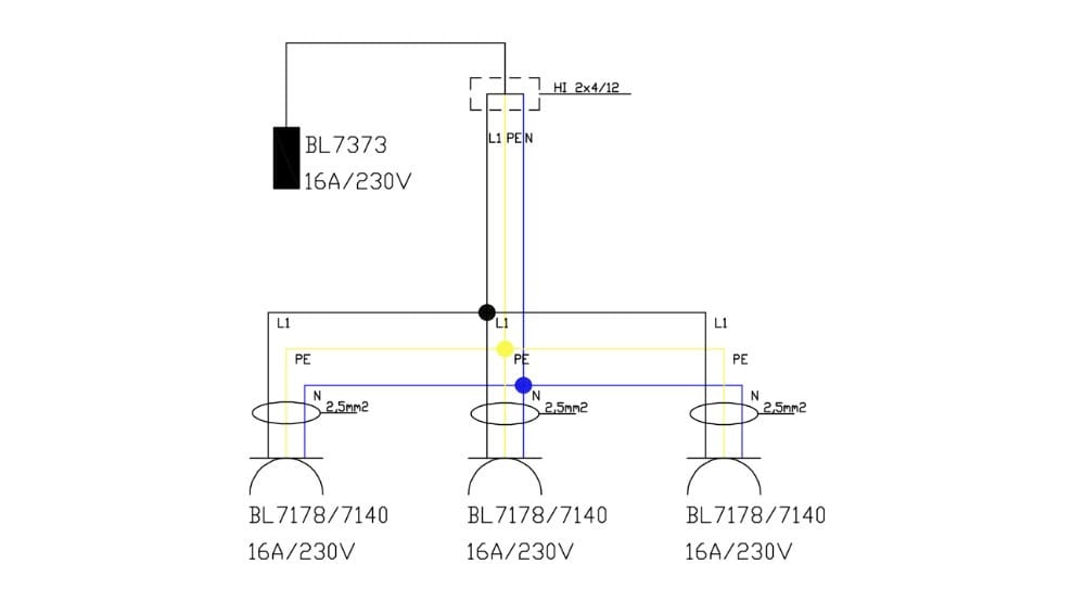
Rozdzielnica wisząca mDV 3x230V Schuko z kablem i wtyczką, marki Doktorvolt®
Niemiecki system gniazd Schuko
⭐⭐⭐⭐⭐
➡️ Rozdzielnica elektryczna mDV 3x230V Doktorvolt®, zalety:
✔️ Kompaktowa i zwarta obudowa wykonana z najlepszej jakości materiałów,
✔️ wyposażona w trzy gniazda 230 V 16 A,
✔️ okablowanie i gniazda pochodzące od renomowanych producentów osprzętu elektrycznego,
✔️ klasa szczelności erbetki IP 44,
✔️ gotowa do podłączenia.
✔️ posiada łańcuszek umożliwiający zawieszenie rozdzielnicy w dowolnym miejscu o długośći 1,5 m.
➡️ Rozdzielnica elektryczna mDV 3x230V Doktorvolt®, zastosowanie:
✔️ Na placach i obszarach budów oraz podczas prac drogowych,
✔️ do zakładów przemysłowych,
✔️ w warsztatach i garażach, w których konieczne jest podłączenie urządzeń do gniazda siłowego,
✔️ podczas samodzielnej budowy domu,
✔️ do zasilania w energię elektryczną terenów zielonych i imprez masowych na świeżym powietrzu.
➡️ Prezentowana rozdzielnica budowlana wyposażona została w:
✔️ trzy gniazda 3x 230V 16A o klasie szczelności IP 54,
✔️ kabel zasilający 3×2,5 mm z wtyczką Bals,
✔️ łańcuszek o długości 1,5 m.
➡️ Firma Doktorvolt® w procesie produkcji rozdzielnic wdrożyła system zarządzania certyfikowany przez TÜV SÜD:
✔️ gwarancja wysokiej jakości,
✔️ transparentny przepływ informacji,
✔️ gwarancja w zakresie bezpieczeństwa,
✔️ zapewniona dobra obsługa klienta.

|
prąd znamionowy (InA) |
16A |
|
napięcie znamionowe (Un) |
230 V AC |
|
fn |
50Hz |
|
max. |
3500W |
| ilość gniazd |
3x230V Schuko 16A/3P 2P+PE IP54 system niemiecki niebieski RAL 5015 Typ F Typ 7178 Bals |
| klasa szczelności | IP44 |
| dławinica kablowa PG 13,5 |
tak |
| uchwyt/zawieszka |
tak |
| kabel zasilający |
OnPd H07RN-F 3×2,5mm2 (1,5 metra) |
| długość łańcuszka |
1,5m |
| wtyczka |
Bals Typ 7373 |
| materiał rozdzielacza |
tworzywo sztuczne |
| kolor rozdzielacza krzyżowego |
szary |
| wymiary rozdzielacza krzyżowego |
112x112x80mm |
| producent | Doktorvolt |
| symbol | DV-2671-D |
| EAN | 5905669992671 |


