Rozdzielnica budowlana Licznik 3F TD-S/FI 16A 2x230V Schuko Doktorvolt 2510
Specyfikacja techniczna
| Waga | 5 kg |
|---|---|
| Zabezpieczenie | |
| Natężenie prądu CEE | |
| CEE Liczba biegunów (modułów) | |
| Napięcie CEE | |
| Typ gniazd | |
| Dodatkowe wyposażenie | |
| Materiał obudowy |
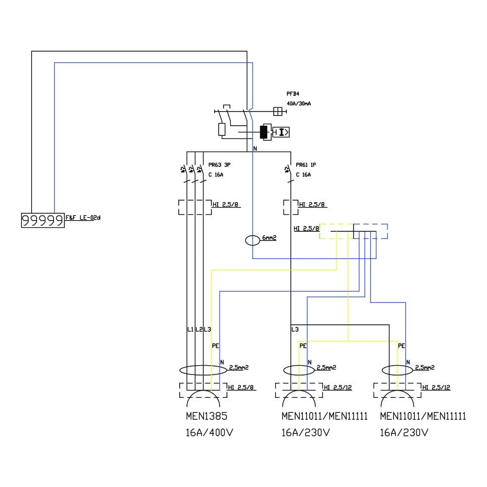
Zabezpieczona rozdzielnica budowlana, wyposażona w licznik 3F TD-S/FI 16A 2x230V gniazda Mennekes Doktorvolt®
Niemiecki system gniazd Schuko
⭐⭐⭐⭐⭐
➡️ Rozdzielnica elektryczna TD-S/FI 16A 2x230V Doktorvolt®, zalety:
✔️ Kompaktowa i zwarta obudowa wykonana z najlepszej jakości materiałów,
✔️ wyposażona w dwa gniazda 230 V 16 A oraz gniazdo siłowe 400 V 16 A, Mennekes,
✔️ wbudowany trójfazowy licznik zużycia energii,
✔️ okablowanie i gniazda pochodzące od renomowanych producentów osprzętu elektrycznego,
✔️ klasa szczelności erbetki IP 44,
✔️ gotowa do podłączenia,
✔️ zabezpieczenie nadprądowe gniazd,
✔️ ochrona przed dotykiem pośrednim.
➡️ Rozdzielnica elektryczna TD-S/FI 16A 2x230V Doktorvolt®, zastosowanie:
✔️ Na placach i obszarach budów oraz podczas prac drogowych,
✔️ do zakładów przemysłowych,
✔️ w warsztatach i garażach, w których konieczne jest podłączenie urządzeń do gniazda siłowego,
✔️ podczas samodzielnej budowy domu,
✔️ do zasilania w energię elektryczną terenów zielonych i imprez masowych na świeżym powietrzu.
➡️ Prezentowana rozdzielnica budowlana wyposażona została w:
✔️ dwa gniazda 2x 230V 16A o klasie szczelności IP 54,
✔️ gniazdo siłowe 400 V 16 A o klasie szczelności IP 44,
✔️ zabezpieczenie nadprądowe gniazd 230V 1 x C16 1P 10kA,
✔️ zabezpieczenie nadprądowe gniazda siłowego C16 3P 10kA,
✔️ zestaw śrub montażowych wraz z zaślepkami.
✔️ wyłącznik różnicowoprądowy 40A 30mA 4P,
✔️ licznik zużycia energii,
✔️ okablowanie.
➡️ Firma Doktorvolt® w procesie rozdzielnic wdrożyła system zarządzania certyfikowany przez TÜV SÜD:
✔️ gwarancja wysokiej jakości,
✔️ transparentny przepływ informacji,
✔️ gwarancja w zakresie bezpieczeństwa,
✔️ zapewniona dobra obsługa klienta.

Specyfikacja Techniczna:
- Obudowa rozdzielnicy:
- ilość modułów: 12
- ilość rzędów: 1
- montaż: natynkowy
- stopień ochrony rozdzielnicy: IP44
- napięcie znamionowe obudowy: 1000V
- wymiary obudowy z gniazdami: 360 x 250 x 200 mm
- materiał obudowy: technopolimer
- materiał drzwi: poliwęglan
- kolor przedniej płyty obudowy: szary RAL 7035
- kolor tylnej płyty obudowy: czarny
- materiał śrub: stal nierdzewna
- materiał uszczelki: guma EPDM
- dławnica PG dołączona w zestawie: 1x PG-16
- certyfikaty i normy: CE, CEI-23-48/49, IEC 670
- Gniazda i aparatura modułowa:
- ochrona przed dotykiem pośrednim: wyłącznik różnicowoprądowy 40A 30mA 4P Typ A RCCB
- gniazda siłowe: 1 x 16A 5P 400V IP44 czerwone Typ 1385 Mennekes
- zabezpieczenie nadprądowe gniazd siłowych: 1 x C16 3P 10kA
- gniazda 230V: 2 x 230V 16A Mennekes 11011 IP54 2P+E Niemiecki system Schuko
- zabezpieczenie nadprądowe gniazd 230V: 1 x C16 1P 10kA
- szyna łączeniowa: 3F 7M 12mm2 z kompletem zaślepek
- licznik zużycia energii elektrycznej: LE-02d MID F&F 3F AC +/- 10% 3 x 5A (80)A
- pozostałe składniki: zestaw śrub montażowych wraz z zaślepkami
- certyfikaty i normy wyłącznika różnicowoprądowego: IEC 61009-1, EN 61009-1, PN-EN-61009-1, STN EN 61009-1, EFS, EFC, CE
- certyfikaty i normy wyłączników nadprądowych: CSN EN 60898, SN EN 60947-2, EFS, EFC, VDE
- Okablowanie:
- rodzaj okablowania: Linka ster. H07V-K 2,5, 4 mm2 żółtoziel., Linka ster. H07V-K 2,5, 4 mm2 czarna, Linka ster. H07V-K 2,5, 4, 6 mm2 niebieska
- normy i certyfikaty: CPR, RoHS, CE
- Informacje ogólne:
- prąd znamionowy: 40 A
- napięcie znamionowe: 230 / 400 V
- ICC: ≤ 10 kA
- RDF: 0,7
- Informacje producenta:
- producent: Doktorvolt
- certyfikaty i normy producenta: TÜV SÜD, ISO 9001:2015, CE, IEC 61439
- oznaczenie producenta: DV-2510-D
- EAN: 5905669992510



