Rozdzielnica budowlana z łącznikiem TD-S/FI 32A 16A 3x230V Schuko Doktorvolt 2404
Specyfikacja techniczna
| Waga | 5 kg |
|---|---|
| Zabezpieczenie | |
| Natężenie prądu CEE | |
| CEE Liczba biegunów (modułów) | |
| Napięcie CEE | |
| Typ gniazd | |
| Dodatkowe wyposażenie | |
| Materiał obudowy |
Zabezpieczona rozdzielnica budowlana TD-S/FI 32A 16A 3x230V z łącznikiem krzywkowym 0-1 Doktorvolt®
Niemiecki system gniazd Schuko
⭐⭐⭐⭐⭐
➡️ Rozdzielnica elektryczna TD-S/FI 32A 16A 3x230V Doktorvolt®, zalety:
✔️ Kompaktowa i zwarta obudowa wykonana z najlepszej jakości materiałów,
✔️ wyposażona w trzy gniazda 230 V 16 A oraz gniazda siłowe 32 A 400 V, 16 A 400 V Mennekes,
✔️ okablowanie i gniazda pochodzące od renomowanych producentów osprzętu elektrycznego,
✔️ ochrona przed dotykiem pośrednim,
✔️ zabezpieczenia gniazd siłowych oraz gniazd 230V,
✔️ klasa szczelności erbetki IP 44,
✔️ gotowa do podłączenia.
➡️ Rozdzielnica elektryczna TD-S/FI 32A 16A 3x230V Doktorvolt®, zastosowanie:
✔️ Na placach i obszarach budów oraz podczas prac drogowych,
✔️ do zakładów przemysłowych,
✔️ w warsztatach i garażach, w których konieczne jest podłączenie urządzeń do gniazda siłowego,
✔️ podczas samodzielnej budowy domu,
✔️ do zasilania w energię elektryczną terenów zielonych i imprez masowych na świeżym powietrzu.
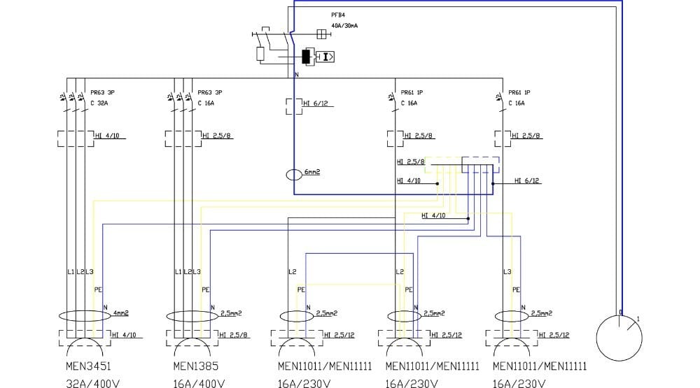
➡️ Prezentowana rozdzielnica budowlana wyposażona została w:
✔️ gniazdo siłowe 1x 400V 16A, 1x 400V 32A o klasie szczelności IP 44,
✔️ trzy gniazda 3x 230V 16A o klasie szczelności IP 54,
✔️ okablowanie,
✔️ wyłącznik nadprądowy gniazd siłowych C32 3P 10kA, C16 3P 10kA,
✔️ wyłącznik nadprądowy gniazd 230V 2 x C16 1P 10kA,
✔️ wyłącznik różnicowoprądowy 40A 30mA 4P,
✔️ łącznik krzywkowy 0-1,
✔️ komplet zaślepek.
➡️ Firma Doktorvolt® w procesie produkcji rozdzielnic wdrożyła system zarządzania certyfikowany przez TÜV SÜD:
✔️ gwarancja wysokiej jakości,
✔️ transparentny przepływ informacji,
✔️ gwarancja w zakresie bezpieczeństwa,
✔️ zapewniona dobra obsługa klienta.

Specyfikacja Techniczna:
- Obudowa Rozdzielnicy:
- Ilość Modułów: 12
- Ilość Rzędów: 1
- Montaż: Natynkowy
- Stopień Ochrony Rozdzielnicy: IP44
- Napięcie Znamionowe Obudowy: 1000V
- Wymiary Obudowy Z Gniazdami: 360 x 250 x 200 mm
- Materiał Obudowy: Technopolimer
- Materiał Drzwi: Poliwęglan
- Kolor Przedniej Płyty Obudowy: Szary RAL 7035
- Kolor Tylnej Płyty Obudowy: Czarny
- Materiał Śrub: Stal Nierdzewna
- Materiał Uszczelki: Guma EPDM
- Dławnica PG Dołączona W Zestawie: 1x PG-16
- Certyfikaty I Normy:
- CE
- CEI-23-48/49
- IEC 670
- Gniazda I Aparatura Modułowa:
- Ochrona Przed Dotykiem Pośrednim: Wyłącznik Różnicowoprądowy 40A 30mA 4P Typ A RCCB Doktorvolt
- Gniazda Siłowe: 1 x 16A 5P 400V IP44 Czerwone Typ 1385 Mennekes, 1 x 32A 5P 400V IP44 Czerwone Typ 3451 Mennekes
- Zabezpieczenie Nadprądowe Gniazd Siłowych: 1 x C16 3P 10kA, 1 x C32 3P 10kA, Doktorvolt
- Gniazda 230V: 3 x 230V 16A Mennekes 11011 IP54 2P+E (Niemiecki System Schuko)
- Zabezpieczenie Nadprądowe Gniazd 230V: 2 x C16 1P 10kA, Doktorvolt
- Szyna Łączeniowa: 3F 11M 12mm2 Z Komplet Zaślepek
- Łącznik Krzywkowy: 0 – 1 3F 4P 40A 690V S40 JD 1104 A6 SEZ
- Pozostałe Składniki: Zestaw Śrub Montażowych Wraz Z Zaślepkami
- Okablowanie:
- Rodzaj Okablowania: Linka Ster. H07V-K 2,5, 4 mm² Żółtoziel., Linka Ster. H07V-K 2,5, 4, 6 mm² Czarna, Linka Ster. H07V-K 2,5, 4, 6 mm² Niebieska
- Normy I Certyfikaty:
- CPR
- RoHS
- CE
- Informacje Ogólne:
- Prąd Znamionowy: 40 A
- Napięcie Znamionowe: 230 / 400 V
- ICC: ≤ 10 kA
- RDF: 0,7
- Informacje Producenta:
- Producent: Doktorvolt
- Certyfikaty I Normy Producenta:
- TÜV SÜD
- ISO 9001:2015
- CE
- IEC 61439
- Oznaczenie Producenta: DV-2404-D
- EAN: 5905669992404



