HIER KAUFEN: PREIS-ZONE.COM
Der Stromverteiler pTD-S 1×32 A 2×230 V Schuko
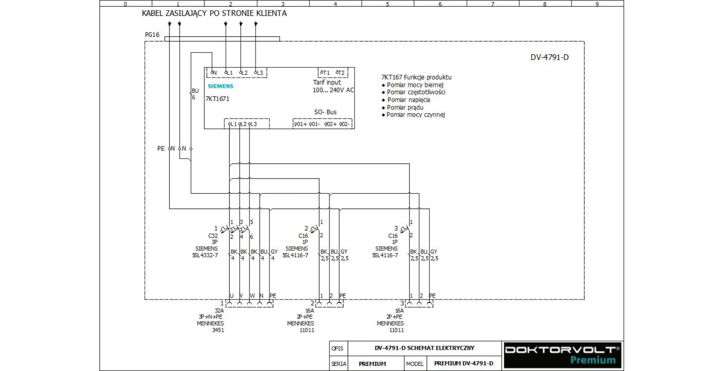
Der Stromverteiler pTD-S 1×32 A 2×230 V Schuko mit 3-phasigem Energieverbrauchszähler ist ein anerkanntes und seriöses Produkt nach DIN 61439-3. Der Stromverteiler ist mit hochwertiger SIEMENS-Schutzanlage und Mennekes-Steckdosen in einem robusten, gegen äußere Einflüsse und mechanische Beschädigungen widerstandsfähigen Marlanvil-Gehäuse verschlossen.
Der vorgestellte elektrische Stromverteiler der Serie PREMIUM ist mit einer Steckdose 32 A 5P 400 V mit der Schutzart IP 44 und zwei Steckdosen 230 V 16 A 2p+E mit der Schutzart IP 54 ausgestattet. Der Nennstrom der elektrischen Ausrüstung beträgt 64 A und die Schutzart der Schaltanlage IP 44. Das Set mit dem Stromverteiler umfasst die DIN-Schiene TH/TS 35, auf der Energieverbrauchszähler SIEMENS mit Schutzvorrichtungen montiert ist.
| Steckdosenhersteller | Mennekes |
| Kabelhersteller | SIEMENS |
| Gehäusehersteller | Marlanvil |
| CEE-Steckdosen | 1x 32A 5P 400V IP44 Rot Typ 3451 Mennekes abgesichert mit SIEMENS Leitungsschutzschalter: 1x C32A 6kA 3P |
| Stecker | – |
| 230V 16A Steckdosen | 2x 230V 16A 2p+E IP54 Typ 11011 Schuko System Typ F abgesichert mit SIEMENS Leitungsschutzschalter: 2x C16A 10kA 1P |
| Schutz vor direktem Kontakt | – |
| Stromverbrauchsanzeige | SIEMENS SEPTRON PAC1600 3F 80A MID |
| Phasenschiene | – |
| Zubehör | Befestigungsschrauben Set mit Kappen |
| Nennspannung | 230/400V AC 50Hz |
| Nennstrom | 64A |
| Stromverteiler Schutzart | IP44 |
| Icc | ≤ 10kA |
| RDF | 0,8 |
| Abmessungen | 360x250x125 mm |
| Hersteller | Doktorvolt |
| Artikel-No. | DV-4791-D |
| Herstellergarantie | 5 Jahre |
| EAN | 5907589334791 |












