HIER KAUFEN: PREIS-ZONE.COM
Baustromverteiler 16A 32A LS-Schalter Stromverteiler 4x230V Doktorvolt DV-2107-D
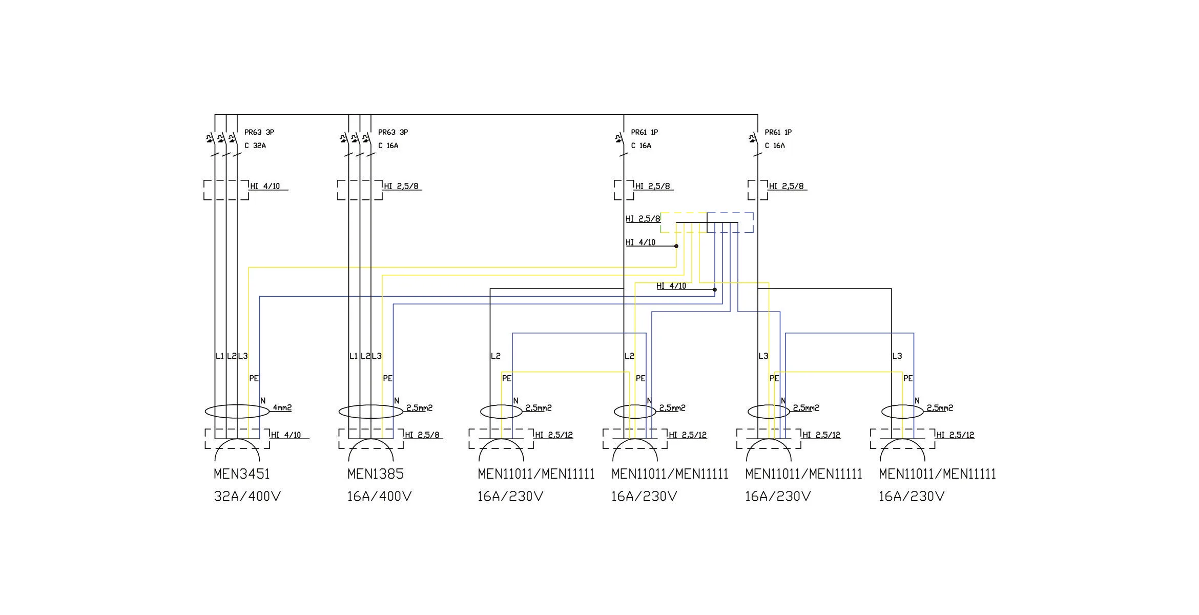
Doktorvolt DV-2107-D 12-moduliger Baustromverteiler. Ausgestattet mit robusten 32A- und 16A-Steckdosen und vier 230V-Schuko-Steckdosen von Mennekes, garantiert sie eine stabile Stromversorgung. Das robuste IP44-Gehäuse, der LS-Schalter von 10kA und die Zertifikate von CE und TÜV SÜD garantieren Zuverlässigkeit und die Einhaltung der Normen.
Professioneller Schutz und vielseitige Steckdosen

Schnelle und bequeme Installation
Technische Spezifikation
Gehäuse des Baustromverteilers
Modulanzahl: 12
Anzahl der Reihen: 1
Montage: Aufputz
Schutzart: IP44
Nennspannung: 1000V
Abmessungen des Gehäuses mit Steckdosen: 360 x 250 x 125 mm
Material des Gehäuses: Technopolymer
Material der Tür: Polycarbonat
Farbe der Frontplatte des Gehäuses: grau RAL 7035
Farbe der Rückplatte des Gehäuses: schwarz
Material der Schrauben: Edelstahl
Material der Dichtung: Gummi EPDM
Mitgelieferte Kabelverschraubung: 1x PG-16
Steckdosen und modulare Geräte
CEE-Steckdosen:
1 x 16A 5P 400V IP44 rot Typ 1385 Mennekes
1 x 32A 5P 400V IP44 rot Typ 3451 Mennekes
Leitungsschutzschalter für CEE-Steckdosen:
1 x C16 3P 10kA
1 x C32 3P 10kA
230V Steckdosen:
4 x 230V 16A 11011 IP54 2P+E Mennekes (Deutsches Schuko-System)
Leitungsschutzschalter für 230V Steckdosen:
2 x C16 1P 10kA
Sammelschiene: 3F 8M 12mm2 mit einem Satz Endkappen
Weitere Komponenten:
Montageschraubensatz inklusive Endkappen
2x Endhalter CLIPFIX 35-5 Phoenix Contact
Sicherungen und Verkabelung
Zertifikate und Normen der Leitungsschutzschalter:
CSN EN 60898
SN EN 60947-2
EFS
EFC
VDE
Kabeltyp:
H07V-K 2,5, 4 mm2 gelbgrün
H07V-K 2,5, 4 mm2 schwarz
H07V-K 2,5, 4 mm2 blau
Normen und Zertifikate: CPR, RoHS, CE
Nennstrom: 63 A
Nennspannung: 230 / 400 V
Schutzart des Baustromverteilers: IP44
ICC: ≤ 10 kA
RDF: 0,8
Herstellerinformationen
Hersteller: Doktorvolt
Zertifikate und Normen des Herstellers:
TÜV SÜD
ISO 9001:2015
CE
IEC 61439
Herstellerbezeichnung: DV-2107-D
EAN: 5905669992107
Zertifizierung = hohe Qualität:


Schutzklasse IP = mehr Sicherheit:
Schutz gegen das Eindringen von festen Fremdkörpern mit einem Durchmesser größer als 1 mm
Schutz gegen Spritzwasser aus jeder Richtung
Vertrauenswürdiger Hersteller:
Doktorvolt® ist ein Unternehmen, das im Jahr 2013 gegründet wurde. Das dynamisch wachsende Unternehmen hat sowohl den polnischen als auch den internationalen Markt erobert. Der Firmensitz befindet sich in Malichow in der Woiwodschaft Opole, wo sich auch eine moderne Produktionshalle und ein Lager befinden. Das Unternehmen ist auf die Herstellung von Baustromverteilern spezialisiert und zeichnet sich durch Qualität und solide Verarbeitung aus. Jeder Baustromverteiler besteht aus hochwertigen Komponenten. Die Produkte des Unternehmens erfüllen europäische Normen und Sicherheitsstandards.







