HIER KAUFEN: PREIS-ZONE.COM
Baustromverteiler Stromverteiler TD-S/FI 32A 2x230V mit Stromzähler Doktorvolt ®
Achtung! französisch/belgisch System
⭐⭐⭐⭐⭐
➡️ Stromverteiler TD-S/FI 3x230V Doktorvolt®, Vorteile:
✔️ Kompaktes und dichtes Gehäuse aus hochwertigsten Materialien,
✔️ ausgestattet mit zwei 2x 230 V 16 A Steckdosen und 400 V 32 A Mennekes-Steckdosen,
✔️ Kabel und Steckdosen von namhaften Herstellern elektrischer Geräte,
✔️ Schutzklasse IP44,
✔️ anschlussfertig,
✔️ Schutz vor direktem Kontakt,
✔️ Stromzähler,
✔️ Leitungschutzschalter für Steckdosen.
➡️ Stromverteiler TD-S/FI 3x230V Doktorvolt®, Anwendung:
✔️ Auf Baustellen und -Flächen und bei Straßenbauarbeiten,
✔️ in Industriebetrieben,
✔️ in Werkstätten und Garagen, wo es notwendig ist, Geräte an eine Steckdose anzuschließen,
✔️ beim Bau des eigenen Hauses,
✔️ um Grünflächen und Massenveranstaltungen im Freien mit Strom zu versorgen.
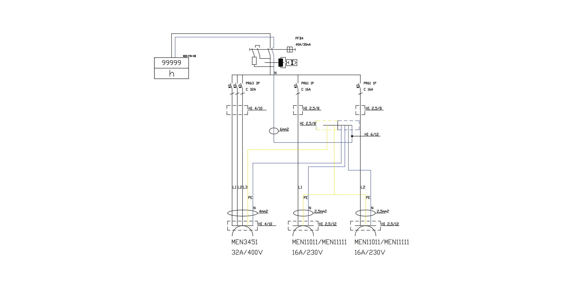
➡️ Zusammensetzung der Stromverteiler:
✔️ zwei 2x 230 V 16 A Steckdosen, Schutzklasse IP 44,
✔️ Leitungschutzschalter der 230V 1 x C16 1P 10kA Steckdosen,
✔️ 1x 400 V 32 A CEE-Steckdose, Schutzklasse IP44,
✔️ Leitungschutzschalter der CEE-Steckdosen 1x C32 3P 10kA,
✔️ Stromzähler,
✔️ 40A 30mA 2P Fi-Schalter,
✔️ Befestigungsschrauben Set mit Kappen,
✔️ Verkabelung.
➡️ Bei der Herstellung der Stromverteiler hat Doktorvolt® vom TÜV SÜD zertifiziertem Managementsystem implementiert:
✔️ Garantie für hohe Qualität,
✔️ klarer Informationsfluss,
✔️ Garantie für Sicherheit,
✔️ gute Kundenservice.

| Gehäuse | |
| Modulen Anzahl | 12 |
| Zeilen Anzahl | 1 |
| Montage | Aufputz |
| Schutzart | IP44 |
| Gehäuse Uni | 1000V |
| Gehäusegröße | 360 x 250 x 200 mm |
| Gehäusematerial | Technopolymer |
| Türmaterial | Polycarbonat |
| Farbe der Frontplatte | Grau RAL 7035 |
| Farbe der Rückplatte | Schwarz |
| Schraubenmaterial | Edelstahl |
| Dichtungsmaterial | EPDM Gummi |
| Kabelverschraubung | 1x PG-16 |
| Zertifikate und Normen | CE CEI-23-48/49 IEC 670 |
| Steckdosen und modulare Geräte | |
| Schutz vor direktem Kontakt | Fi-Schalter 40A 30mA 4P Typ A RCCB |
| CEE-Steckdosen | 1 x 32A 5P 400V IP44 rot Typ 3451 Mennekes |
| CEE-Steckdosen abgesichert | 1 x C32 3P 10kA |
| 230V Steckdosen |
2 x 230V 16A 11111 IP44 2P+E franz/belg System |
| 230V Steckdosen abgesichert |
1 x C16 1P 10kA |
| Phasenschiene | 3P 7M 12mm2 mit Kappen |
| Stromzähler | LE-02d MID F&F 3F AC +/- 10% 3 x 5A (80)A |
| Fi-Schalter Zertifikate und Normen | IEC 61009-1 EN 61009-1 PN-EN-61009-1 STN EN 61009-1 EFS EFC CE |
| Leitungsschutzschalter Zertifikate und Normen | CSN EN 60898 SN EN 60947-2 EFS EFC VDE |
| Verkabelung | |
| Verkabelungtyp | H07V-K Leitung 2,5, 4 mm2 gelb-grünH07V-K Leitung 2,5, 4 mm2 Schwarz H07V-K Leitung |
| Normen und Zertifikate | CPR RoHS CE |
| Allgemein | |
| Nennstrom | 40 A |
| Nennspannung | 230 / 400 V 50Hz AC |
| ICC | ≤ 10 kA |
| RDF | 0,8 |
| Hersteller-Informationen | |
| Hersteller | Doktorvolt |
| Herstellerzertifikate und Normen | TÜV SÜD ISO 9001:2015 CE IEC 61439 |
| Artikel-No. | DV-9672-F |
| EAN | 5903260279672 |







