KUP TUTAJ: PREIS-ZONE.PL
Zabezpieczona rozdzielnica budowlana z wtyczką odbiornikową TD-S/FI 32A 16A 4x230V Schuko Doktorvolt®
Niemiecki system gniazd – Schuko
⭐⭐⭐⭐⭐
➡️ Rozdzielnica elektryczna TD-S/FI 32A 16A 4x230V Schuko Doktorvolt®, zalety:
✔️ Kompaktowa i zwarta obudowa wykonana z najlepszej jakości materiałów,
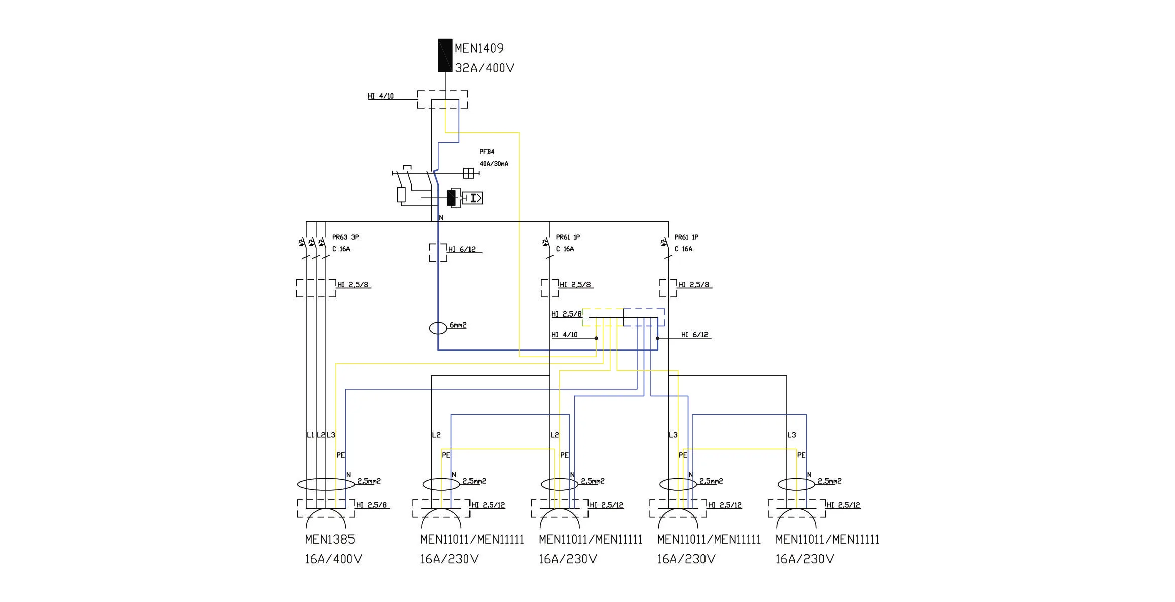
✔️ wyposażona w cztery gniazda 230 V 16 A, wtyczka odbiornikowa 32 A 400 V oraz gniazdo siłowe 16 A 400 V Mennekes,
✔️ zabezpieczenie nadprądowe gniazd siłowych,
✔️ ochrona przed dotykiem pośrednim,
✔️ okablowanie i gniazda pochodzące od renomowanych producentów osprzętu elektrycznego,
✔️ klasa szczelności erbetki IP 44,
✔️ gotowa do podłączenia.
➡️ Rozdzielnica elektryczna TD-S/FI 32A 16A 4x230V Schuko Doktorvolt®, zastosowanie:
✔️ Na placach i obszarach budów oraz podczas prac drogowych,
✔️ do zakładów przemysłowych,
✔️ w warsztatach i garażach, w których konieczne jest podłączenie urządzeń do gniazda siłowego,
✔️ podczas samodzielnej budowy domu,
✔️ do zasilania w energię elektryczną terenów zielonych i imprez masowych na świeżym powietrzu.
➡️ Prezentowana rozdzielnica budowlana wyposażona została w:
✔️ gniazdo siłowe 1x 400V 16A o klasie szczelności IP 44,
✔️ wtyczka odbiornikowa 1x 400V 32A o klasie szczelności IP 44
✔️ cztery gniazda 4x 230V 16A o klasie szczelności IP 54,
✔️ wyłącznik różnicowoprądowy 40A 30mA 4P Typ A.
✔️ zabezpieczenie nadprądowe gniazda siłowego C16 3P 10kA,
✔️ zabezpieczenie nadprądowe gniazda 230 V 2 x C16 1P 10kA,
✔️ okablowanie.
➡️ Firma Doktorvolt® w procesie produkcji rozdzielnic wdrożyła system zarządzania certyfikowany przez TÜV SÜD:
✔️ gwarancja wysokiej jakości,
✔️ transparentny przepływ informacji,
✔️ gwarancja w zakresie bezpieczeństwa,
✔️ zapewniona dobra obsługa klienta.

| Obudowa rozdzielnicy | |
| ilość modułów | 12 |
| ilość rzędów | 1 |
| montaż | natynkowy |
| stopień ochrony rozdzielnicy | IP44 |
| napięcie znamionowe obudowy | 1000V |
| wymiary obudowy z gniazdami | 360 x 250 x 185 mm |
| materiał obudowy | technopolimer |
| materiał drzwi | poliwęglan |
| kolor przedniej płyty obudowy | szary RAL 7035 |
| kolor tylnej płyty obudowy | czarny |
| materiał śrub | stal nierdzewna |
| materiał uszczelki | guma EPDM |
| dławnica PG dołączona w zestawie | 1x PG-16 |
| certyfikaty i normy | CE CEI-23-48/49 IEC 670 |
| Gniazda i aparatura modułowa | |
| ochrona przed dotykiem pośrednim | wyłącznik różnicowoprądowy 40A 30mA 4P Typ A RCCB
|
| gniazda siłowe | 16A 5P 400V IP44 czerwone Typ 1385 Mennekes
|
| zabezpieczenie nadprądowe gniazd siłowych | C16 3P 10kA
|
| gniazda 230V | 4x 230V 16A Mennekes 11011 IP54 2P+E Schuko
|
| zabezpieczenie nadprądowe gniazd 230V | 2 x C16 1P 10kA |
| szyna łączeniowa | 3F 8M 12mm2 z kompletem zaślepek |
| wtyczka odbiornikowa | 32A 5P 6h 400V IP44 Typ 1409 Mennekes |
| pozostałe składniki | zestaw śrub montażowych wraz z zaślepkami 2x trzymacz końcowy CLIPFIX 35-5
|
| certyfikaty i normy wyłącznika różnicowoprądowego | IEC 61009-1 EN 61009-1 PN-EN-61009-1 STN EN 61009-1 EFS EFC CE
|
| certyfikaty i normy wyłączników nadprądowych | IEC 61008-1 EN 61008-1 PN-EN-61008-1 VDE |
| Okablowanie | |
| rodzaj okablowania | Linka ster. H07V-K 2,5, 4 mm2 żółtoziel. Linka ster. H07V-K Linka ster. H07V-K |
| Informacje ogólne | |
| prąd znamionowy | 32 A |
| napięcie znamionowe | 230 / 400 V 50Hz AC |
| ICC | ≤ 10 kA |
| RDF | 0,8 |
| Informacje producenta | |
| producent | Doktorvolt |
| certyfikaty i normy producenta | TÜV SÜD ISO 9001:2015 CE IEC 61439 |
| oznaczenie producenta | DV-2534-D |
| EAN | 5905669992534 |







